Here is a 5,000 BTU/hr gas-fired, catalytic heater-based gas stream (re)heating system offered by OilPro Oilfield Production Equipment.
There Are Numerous Potential Uses For This Line Heater
These line heaters are specifically designed for:
- Fuel gas heating
- Pilot gas heating
- CNG systems
- LPG vaporizing
- Glycoling
This Line Heater Includes The Following Components
This line heater package is complete with the following parts and accessories:
- 5,000 BTU/hr rated heaters integrated into one system
- Class 1 Division 1 Group D Heater Panel
- 3/8″ process gas piping, 3000 psi operating pressure rating
- Temperature Controller regulated by gas temperature for accurate control and consistent gas heating.
- Controller provides increased turn-down ratio to cover full range of flow conditions.
- Low Pressure Regulator rated for up to 50 PSIG inlet pressure
- High Pressure Regulator rated for 50 PSIG
- Integrated filter standard
- Fuel input pressure gauge
- Natural gas fuel supply
- Propane available as option, please specify
- 120 VAC starting Voltage
- 12VDC and 240AC also available as option, please specify
- Power cable 16′
- 20 and 25′ cable options available, please specify
- Dimensions: 15.5″ long x 18.2 high x 4.1″ deep heater (+ JB and accessories depth)
Stainless Steel construction throughout, suitable for outdoor installation with little maintenance required.
This style of heater eliminates the common glycol bath and instead directly heats the process using infrared heating.
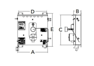
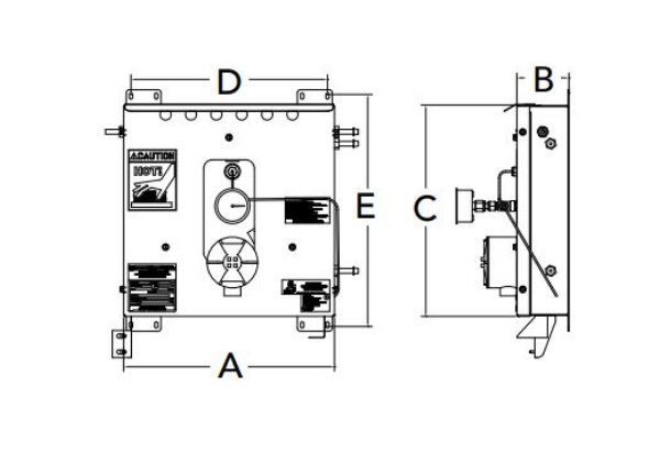
Line Heater Dimensions
This is a CSA-approved integrated system with the following dimensions:
Dimensions: (see the diagram to the right)
A: 38.1″
B: 16.1″
C: 19.7″
D: 10.5″
E: 27.1″
Weight: 50 lbs
How they work
Any operator familiar with catalytic heaters can operate this unit. An electric source is required to warm up the catalytic pad. OilPro has in-house tested and proven to be the highest quality in the business with an excellent efficiency.
Once the pads are warmed up (15-20 minutes typically) electric supply can be removed and the gas supply takes over.
After gas is introduced, the catalytic reaction will supply the heat to continue the process heating.
Final Thoughts
Click here to view this and other line heaters that OilPro stocks and can supply you with.
For all your line heaters needs, please contact OilPro directly at 1-403-215-3373 or by email at i[email protected].
